首页
关于我们
企业概况
关联单位
荣誉资质
大事记
党建工作
科研创新
科研平台
技术专栏
专家答疑
视频中心
产品中心
兽用生物制品
营养药及添加剂
代理进口产品
其他
新闻中心
企业新闻
媒体报道
社会责任
公益活动
环保公示
人才招聘
联系我们
EN
社会责任
首页
>
社会责任
>
环保公示
公益活动
环保公示
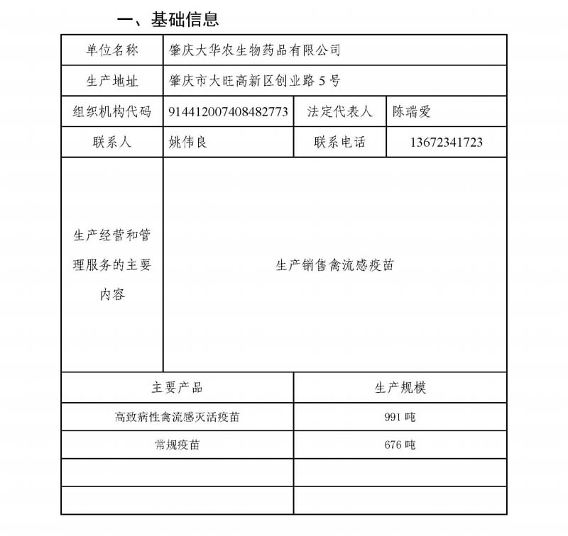
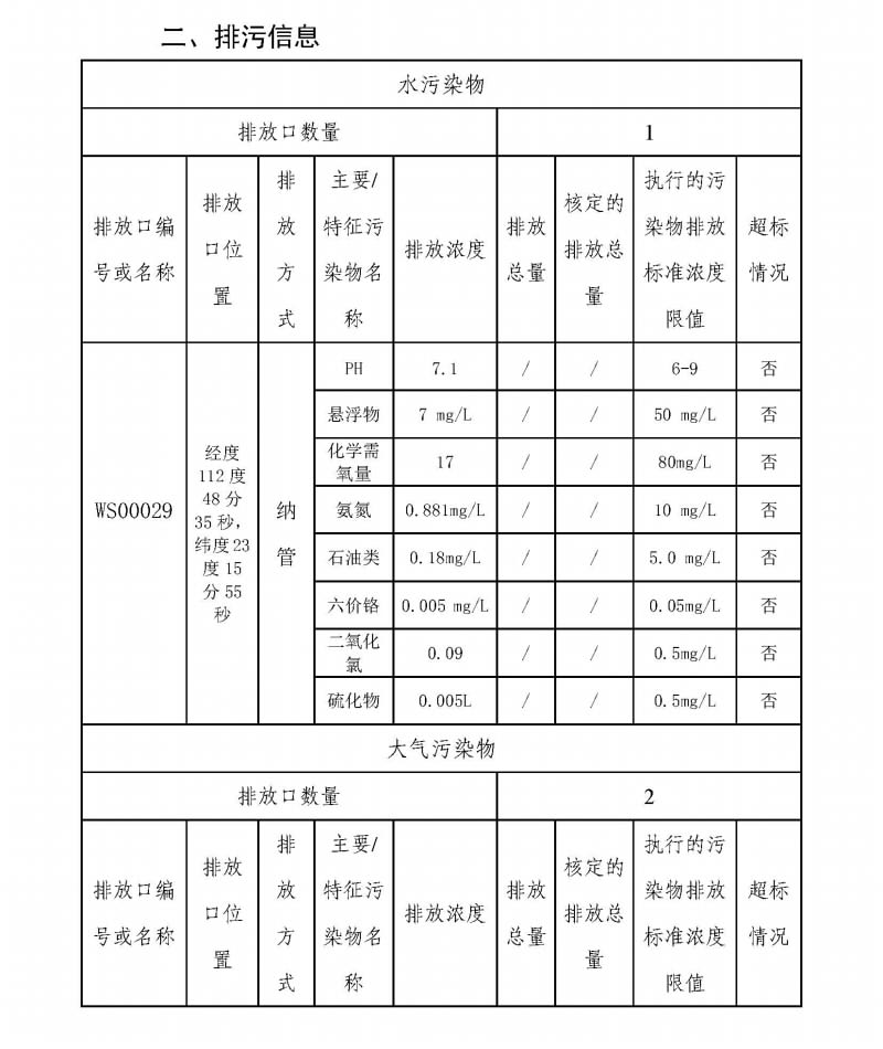
肇庆大华农生物药品有限公司环保信息
2022-02-28
返回列表
意见反馈
*
姓名:
*
联系方式:
*
留言内容: